0592-5934778
×
首页
公司简介
-
+
产品中心
高压直流接触器测试系列
继电器测试仪器
继电器测试插座
除静电产品
点胶机及配件
新闻中心
联系我们
English
全国统一客服热线:
0592-5934778
网站首页
公司简介
产品中心
高压直流接触器测试系列
继电器测试仪器
继电器测试插座
除静电产品
点胶机及配件
新闻中心
联系我们
English
产品中心
高压直流接触器测试系列
继电器测试仪器
继电器测试插座
除静电产品
点胶机及配件
首页 > 产品中心 > 高压直流接触器测试系列
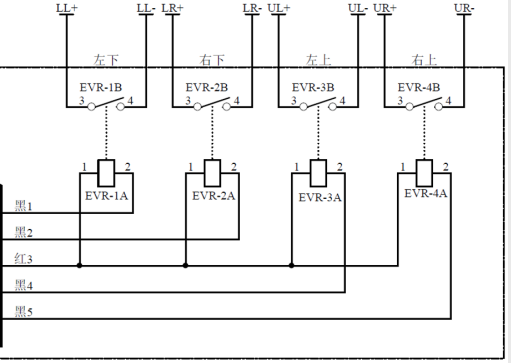
多连体产品综测仪
联系我们
获取详细信息
上一篇:高压直流接触器电洗仪器
下一篇:Top-962SP 系列 直流接触器综测仪
热点资讯
18
2025-12
顶科电子喜获中国人民解放军第七四三五工厂订单
近期,顶科电子生产的Top-904继电器综合参数测试仪被中国人民解放军第七四三五工厂选中,作为继电器检测专用仪器。Top-904继电器综合参数测试仪具有良好的人机界面,功能强大,一次可以测试一只4组常开、四组常闭或四组转换的多种型号的直(交)流继电器,可以基本满足各类继电器生产、使用的测试需要。
18
2025-12
顶科电子与宁德核电签署合同
2015年1月,顶科电子依靠具有完全知识产权的Top-904继电器综合测试仪成功中标宁德核电交直流继电器综合参数测试仪采购项目,并签署合同。宁德核电是中国广核集团、中国大唐集团、福建省能源集团投资设立,宁德核电站是海峡西岸经济区首座核电站,承载着国家发展清洁能源、实现碳减排目标的战略部署,为推进核电设备国产化进程…
公司简介
产品中心
高压直流接触器测试系列
继电器测试仪器
继电器测试插座
除静电产品
点胶机及配件
新闻中心
联系我们
即刻关注
0592-5934778
电话
微信
搜索
顶部