0592-5934778
中文版
|
English
首页
公司简介
产品中心
新闻中心
产品说明
销售业绩
联系我们
产品中心
高压直流接触器测试系列
继电器测试仪器
继电器测试插座
除静电产品
点胶机及配件
------
联系方式
联系人:巫经理
手机:0592-5934778
电话:0592-5934778
地址:厦门火炬高新区(翔安)产业区翔岳路53号
所在位置:
首页
>
产品中心
>
高压直流接触器测试系列
产品中心
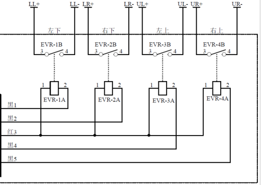
多连体产品综测仪
分享给好友:
0
上一个:Top-952 触点电清洗机
下一个:点胶阀H30
在线客服
在线客服
Online Service
x
客服
销售咨询
技术咨询
投诉建议